随着明年的60cent/kWh上网电价以及“gross feed”套餐到期,澳大利亚即将进入全“net feed”时代。这就意味着如果不能“自发自用”,用户的上网电价将会降为之前的十分之一,6cent/Kwh.纵然蓄电池的价格依然十分“叹为观止”,但是基于多方面的投资回报分析,在蓄电池使用寿命10年左右同时首次维修从大约第三年开始的情况下,大约7至8年可以收支平衡。在此期间用户可以享受到UPS服务,优化功率因数和自主调节从电网的购电需求。本文将会对近期完成的一套住户型储能系统进行介绍和分析。

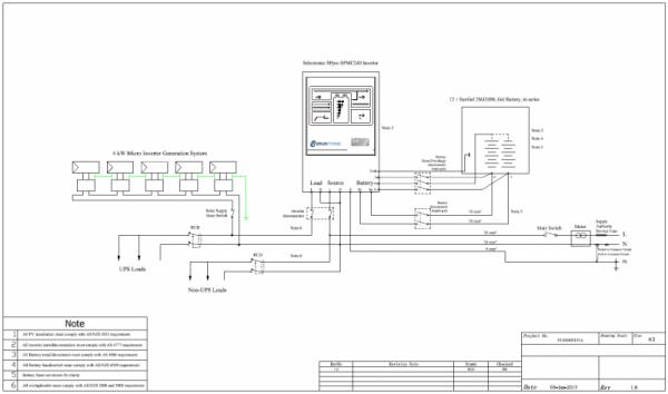
用户已有4kW的微型逆变器系统。由于是标准的住户系统,多于一半的太阳能电能发电上网,好在澳大利亚很多人是3点或者4点钟下班,还能自耗一部分下午的发电量。

安装蓄电池库后,由于是AC Coupled系统,太阳能电能会优先满足用电器需求。随后,富余的电能不会发电上网而是经过双向逆变器进项AC/DC转换对蓄电池进行充电。如果期间有过多需求的用电器启动,蓄电池开始放电补足。若有必要,电网也将供电补足。

如果期间蓄电池充电充满而又有富余的太阳能电能,则多余电能将会发电上网。

由于我们已经提前安装好了监控系统,从储能系统开始运作,和运作前比较有着非常明显的对比。

综上可以证明,一个合理的储能设计加上可靠的产品是完全可以实现对客户的预期保证。
在设计上面,我个人认为的关键点是对双向逆变器(本设计中采用的是Selectronic公司的SPPro SPMC240-AU机型)的选型和蓄电池库容量的设计,而前提便是一套完成的用户用电器调查报告。多谢是并网储能,这样极大地降低了系统危险度和全方面的提高了系统的兼容度。在离网系统中几乎很难使用非同一品牌的逆变器(本系统总采用的是SPPro和APS的逆变器系统)。对于蓄电池库的设计,最关键点就是如何把握autonomy day。对于可靠的城市电网,断电时间不过是仅仅几个小时,这也让设计难度降到了最低。对于该系统,系统设计理念是毫无疑问的,然而弊端是太过于依赖太阳能电能。换言之,对于多云或多雨的非良性太阳能发电地区,该系统的投资回收周期会极大的被延长。前一段时间听到有一种新说法,用峰谷电价时间段充电,在峰值电价时间段放电。对于目前的一套系统售价加上电池的充放电效率,个人觉得,还是想想吧,虽然实际但是并不经济。
对于目前日新月异的储能科技,我个人观点是系统的革新点还是在电池库。无论是老牌的铅蓄电池还是新型的锂电池或钴镍电池,都有很多的地方可以期待和开发。下一篇文章我会为大家带来澳洲新兴的电容铅蓄电池(ultrabattery)介绍,发电深度可达60%并且可以频繁充放的铅蓄电池。

扫一扫关注微信