美国专利和商标局本周四通过了一项苹果申请的独特太阳能管理系统,这种系统可以集成在苹果便携式产品中,无需繁杂的外置转换器。当然,苹果已经申请了很多关于太阳能的专利,不过本周四的专利似乎可以在近期应用在产品中。这份专利被称为“电子设备接收适配器和太阳能能源管理系统”。



苹果想要发明一种全新的太阳能解决方案,就像之前一样。专利中描述的这种技术利用了很多已经存在的技术,更重要的是可以利用目前的组件实现。电子产品的性能越来预强,需要的电力也越来越多,然而电池的容量毕竟有限。苹果提到设备必须依靠外来的电源才能长时间工作,比如插座。
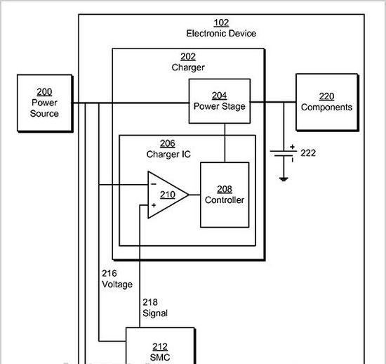
当然,市场上有很多解决方案,比如太阳能面板,可以为设备添加额外的电力,但这种技术依靠外置电路板将太阳能转换成电子设备兼容的电源形式。更确切的说,iPhone和MacBook需要直流电压。根据专利文件,集成电源管理系统可以包含在SMC和充电器的微控制器中。电力可以通过AC转DC适配器或直接从太阳能面板输出。
专利中描述的技术中,电源适配器输出功率级被称为降压转换器,或者是DC转DC转换器。输入的电源受到充电器的集成电路监控,转换成适当的电压,输入直流电源或电池的回路中。SMC可以监控像电池充电、健康度和输入电源类型等信息。如果是太阳能输入,SMC会追踪面板的最大功率,然后通过放大目前的电压实现。当功率达到后,SMC会向充电器的集成电路发送信号,随后再决定太阳能面板需要达成的电压。
苹果在专利中提到,电源管理系统可以同时接受太阳能和普通电源插座的电力。专利中提到的技术适合在iPhone、MacBook上使用,当然目前太阳能还没有被主流产品应用。苹果太阳能专利在2012年递交,发明人为Kisun Lee、Manisha P. Pandya和Shimon Elkayam。

扫一扫关注微信