10月14日,天合光能首次公开了日前银川国家光伏质检中心(CPVT)及常州第三方两个项目地出炉的实证数据。结果显示天合光能210至尊系列产品户外发电量性能,较对比组件——新一代182组件优势显著。在发电量测试期间内,210组件均表现出明显的发电量增益,单瓦发电量增益高达1.6%。这得益于天合光能至尊系列产品先进的技术解决方案,全维度降低组件的系统成本及度电成本,成为大型地面电站用高功率组件的新标杆。
银川实证:210组件单瓦发电量较对比组件优势明显,无高工作温度风险
天合光能技术专家张舒受邀参加昆明光伏大会,在《至尊超高功率组件性能深度解析》发言中分享210至尊组件在两个实证项目中的发电量优异表现。
国家光伏质检中心(CPVT)银川户外实证基地位于宁夏银川市,为I类地区,太阳光谱接近标准AM1.5。年辐射强度在500W/㎡及以上的时间大于2000小时,日平均直射辐照量5.75 kWh/m2;银川属温带大陆性气候,夏季干热,早晚温差较大。2021年4月正式开始进行户外发电量实证监控,预计结束时间为2022年4月。
项目图片及样件安装方式

地点:银川(38.47°N)
倾角:40°
安装高度:1m
地表:沙地
数据采集方式:高季度直流电表+逆变器SG20RT-20
综合2021年4月~9月数据,210单面组件单瓦发电量较182单面组件高1.2%。

通过上图可以明显看到:在发电量较低的天数中,210组件发电量增益显著;根据不同辐照度下发电能力对比分析,210组件即使在一类光资源地区下,低辐照性能依然优势明显:

得益于210双面组件更高的双面率,综合2021年4月~9月数据,210双面组件单瓦发电量高于182双面组件1.3% :

组件户外安装时,由于空气对流换热更好,组件边缘温度相对工作温度更低;而贴近横梁的部分的电池片,工作温度会很高。因此,为探究组件真实工作温度,CPVT工作温度监控对每类型样件不同位置采取4个测温点,测试设备严格遵循IEC61724-1 Class A精度,测试结果显示210组件与对比组件工作温度基本一致:

任选典型晴天下,组件工作温度实测与模拟结果均显示,210组件并无高工作温度风险,且早晚低辐照时段,210组件温度略有优势:

常州实证:低辐照性能优异,210组件单瓦发电量高于对比组件1.6%
常州项目基于天合光能光伏科学与技术国家重点实验室实证场地,该项目地位于东经119.97°,北纬31.83°,属于北亚热带海洋性气候,常年气候温和、雨量充沛、四季分明。春末夏初时多有梅雨发生,夏季炎热多雨,最高气温度常达36℃以上,冬季空气湿润,气候阴冷。
项目图片及样件安装情况:

常州测试场草地项目自2020年9月起开始测试,综合2020年9月~2021年3月数据,210单面组件单瓦发电能力高于对比单面组件1.6%:

解密210组件发电量优势原因
1.210组件发电量优异主要来自于其优异的低辐照性能。
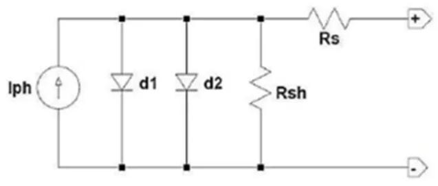
为研究210低辐照性能优势,本文以双二极管模型对测试样件进行建模分析;二极管模型表征电池及组件特性被广泛使用,例如PVsyst中的PAN file;在传统的单二极管模型上,双二极管模型额外考虑了耗尽区的复合损耗,可以有效验证低辐照下组件性能:


使用二极管模型进行电池及组件建模,组件低辐照性能模拟结果及实测结果对比如下:
表1组件低辐照性能模拟结果及实测结果对比
模拟结果显示210组件低辐照性能PR200W/m2较182组件高1.3%使用Meteonorm 7.2气象数据,在PVsyst中进行发电量仿真,
以常州为例,仅单因素低辐照提升1.3%,发电量将提升1%:

表2测试组件对比情况
备注:模拟结果基于PVsyst V6.85,气象数据使用Meteonorm 7.2数据;模拟与实测差异包括气象数据差异,功率不确定度及测试设备不确定度
2. 210组件组件工作温度低于对比组件,低辐照时发电量更高
为探究组件真实户外工作温度,使用HIOKI热电偶数据采集仪对组件进行工作温度采集。实证结果显示,210与对比测试样件温度几乎无差异,根据辐照加权平均温度,210组件甚至略低于对比组件0.5℃。使用PVsyst仿真,组件相同温度系数的情况下,在常州,工作温度每降低1℃,发电量提升约为0.2%。同时,选取9月5日典型天气,将实测数据及实测气象数据代入稳态热平衡模型,更证明了高电流、低开压的210组件无明显温升,且在早晚辐照及温度较低时,210组件组件工作温度较低。


总结
1.综上所述,从常州和银川两个项目地的实证得到的结果来看,由于210组件的低辐照优势,不管是单面还是双面组件,在相同环境及相同参数设定下,均较对比组件有发电量增益:单面增益比例达到1.6%,双面增益比例达到1.3%。
2.210组件的低辐照性能优势显著,对发电量有明显提升。
3.基于主流切半及切三的情况下,电阻损失导致热量变化非常小,整体对于发电量的影响非常微弱,可以忽略不计。
放眼全球,在低碳经济快速发展的大趋势下,天合光能既要与时俱进,也要与“实”俱进,通过有效技术升级提升自身产品发电功率和效率,为全人类社会创造更多的发电量增益和价值,为早日实现碳达峰、碳中和贡献一份积极的力量!
“十四五”初年,在“双碳目标”背景下,为助力能源转型,促进企业创新、产业变革与社会可持续发展,国际能源网凭借16年蓄积之力,继续构筑产业重磅年度盛会。
“2021第六届中国光伏产业论坛”将于2021年11月15-16日在北京举办。论坛以“能源转型光伏先行”为主题,将深入解读新时代能源高质量发展形势与政策,探讨新型电力系统下光储充一体化的发展机遇,宣扬业内新技术、新产品与创新理念,探索光伏产业发展新目标,并对光伏产业各先进企业进行表彰,凝心聚力为实现碳达峰、碳中和献计献策!


扫一扫关注微信